Szakértő mérnökeink a megfelelő lineáris csapágytól az egyedi tervezésű hajtásokig mindenben támogatnak. Korszerű műhelyünkben vállaljuk a komplett rendszerek tervezését, a speciális alkatrészek gyártását és a meglévő gépsorok felújítását is.
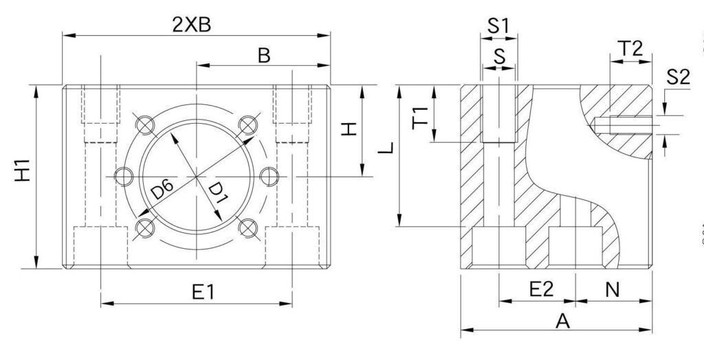
| Model | Méret | D0xP | D1±0.1 | D6 | A | B±0.1 | H±0.1 | H1 | E1 | E2 | N | S | S1 | T1 | S2 | T2 | ISO4762 | L | Súly (kg) |
|
|---|---|---|---|---|---|---|---|---|---|---|---|---|---|---|---|---|---|---|---|---|
| MGD 16L | 16x5 | 16x10 | 28.4 | 38 | 36 | 28 | 20 | 39 | 46±0.1 | 20±0.1 | 8 | - | M6 | 12 | M5 | 10 | BB2 | - | - | 0.45 |
| MGD 16 | 16x16 | 50 | 35 | 24 | 48 | 50±0.1 | 20 | 8.6 | M10 | 15 | M8 | 37 | 0.99 | |||||||
| MGD 20L | 20x5 | 20x20 | 36.4 | 47 | 55 | 37.5 | 23 | 48 | 55±0.1 | 23±0.1 | 22 | - | M8 | 14 | M6 | 11 | BB2 | - | - | 1.12 |
| MGD 20 | 28 | 54 | 8.6 | M10 | 15 | M8 | 45 | 1.21 | ||||||||||||
| MGD 25 | 25x5 | 25x10 | 40.4 | 51 | 55 | 40 | 30 | 58 | 60±0.1 | 23±0.1 | 22 | 8.6 | M10 | 15 | M6 | 11 | BB2 | M8 | 49 | 1.35 |
| 25x25 | 8.6 | M10 | 15 | M8 | 49 | 1.35 | ||||||||||||||
| MGD 32S | 32x5 | 32x10 | 50.4 | 65 | 70 | 45 | 35 | 68 | 70±0.1 | 45±0.1 | 12.5 | - | M12 | 20 | M8 | 14 | BB2 | - | - | 2.23 |
| MGD 32 | 32x20 | 32x32 | 50 | 75±0.1 | 30±0.1 | 27 | 13 | M16 | 20 | M12 | 52 | 2.27 | ||||||||
| MGD 20 | 40x5 | 40x10 | 63.4 | 78 | 80 | 60 | 42 | 84 | 90±0.1 | 35±0.1 | 31 | 15 | M18 | 25 | M8 | 17 | BB1 | M14 | 66 | 3.8 |
| 40x12 | 40x16 | 25 | ||||||||||||||||||
| 40x20 | 40x40 | 25 |
Komplex lineáris megoldásokat kínálunk a tervezéstől az egyedi gyártáson át egészen a gépsorok felújításáig
– mindezt szakértő mérnöki támogatással és gyors, precíz kivitelezéssel.