Szakértő mérnökeink a megfelelő lineáris csapágytól az egyedi tervezésű hajtásokig mindenben támogatnak. Korszerű műhelyünkben vállaljuk a komplett rendszerek tervezését, a speciális alkatrészek gyártását és a meglévő gépsorok felújítását is.
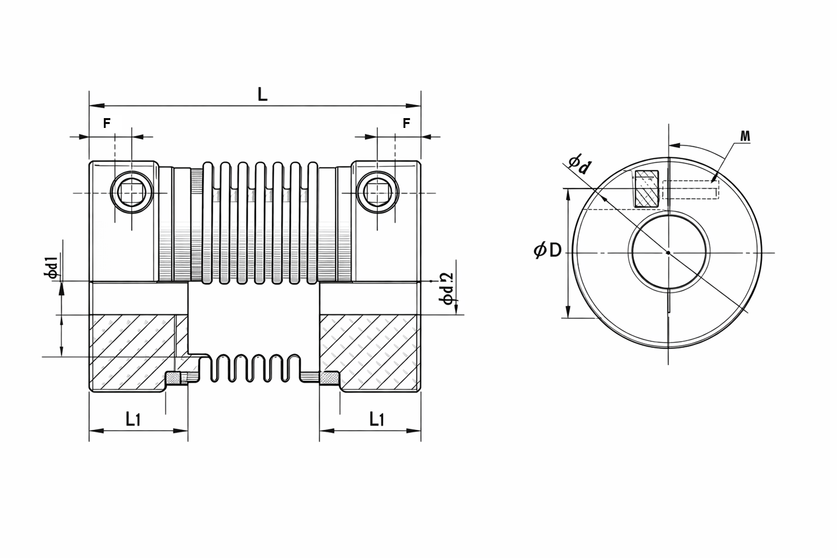
| Modell | Furat átmérő | øD | L | L1/L2 | E | F | G | R | Megengedett eltérés | Megengedett sebesség (rpm) |
Torziós merevség (N.m/rpm) |
Nettó súly (g) |
Nyomaték (N.m) | ||||||
|---|---|---|---|---|---|---|---|---|---|---|---|---|---|---|---|---|---|---|---|
| ød1 | ød2 | ||||||||||||||||||
| Min | Max | Min | Max | Axiálisan | Radiálisan | Szög° | Min | Max | |||||||||||
| BW16 | 4 | 8 | 4 | 8 | 16 | 30 | 9.2 | 9.5 | 3.5 | - | - | ±0.30 | 0.10 | 1.5 | 20000 | 100 | 8 | 0.8 | 1.6 |
| BW16C | 4 | 7 | 4 | 7 | 16 | 30 | 10.5 | 3.8 | - | M3 | ±0.30 | 0.10 | 1.5 | 18000 | 100 | 8 | 0.8 | 1.6 | |
| BW20 | 5 | 12 | 5 | 12 | 20 | 29 | 10.5 | 12.5 | 2.7 | - | - | ±0.35 | 0.15 | 2.0 | 15000 | 160 | 12 | 1.5 | 3.0 |
| BW20C | 5 | 12 | 5 | 12 | 20 | 33 | 11.7 | 3.5 | - | M3 | ±0.35 | 0.15 | 2.0 | 13000 | 160 | 18 | 1.5 | 3.0 | |
| BW25 | 5 | 14 | 5 | 14 | 25 | 34 | 11.8 | 16.0 | 3.8 | - | - | ±0.40 | 0.15 | 2.0 | 13000 | 220 | 28 | 2.0 | 4.0 |
| BW25C | 5 | 12 | 5 | 12 | 25 | 38 | 11.4 | 4.7 | - | M4 | ±0.40 | 0.15 | 2.0 | 11000 | 220 | 38 | 2.0 | 4.0 | |
| BW32 | 6 | 16 | 6 | 16 | 32 | 37 | 10.5 | 21.0 | 3.2 | - | - | ±0.50 | 0.20 | 2.0 | 10000 | 310 | 46 | 2.5 | 5.0 |
| BW32C | 6 | 16 | 6 | 16 | 32 | 43 | 13.0 | 4.5 | - | M4 | ±0.50 | 0.20 | 2.0 | 10000 | 310 | 56 | 2.5 | 5.0 | |
| BW40 | 8 | 20 | 8 | 20 | 40 | 51 | 15.0 | 28.0 | 4.9 | - | - | ±0.60 | 0.20 | 2.0 | 8000 | 520 | 88 | 10 | 20 |
| BW40C | 8 | 20 | 8 | 20 | 40 | 62 | 20.5 | 6.8 | - | M5 | ±0.60 | 0.20 | 2.0 | 8000 | 520 | 108 | 10 | 20 | |
| BW55 | 10 | 30 | 10 | 30 | 55 | 57 | 14.5 | 38.0 | 3.3 | - | - | ±0.80 | 0.20 | 2.0 | 6000 | 850 | 230 | 25 | 50 |
| BW55C | 10 | 30 | 10 | 30 | 55 | 72 | 22.5 | 6.5 | - | M6 | ±0.80 | 0.20 | 2.0 | 6000 | 850 | 280 | 25 | 50 | |
| BW65C | 14 | 38 | 14 | 38 | 65 | 81 | 25.5 | 45.0 | 7.5 | - | M8 | ±0.80 | 0.20 | 2.0 | 4500 | 960 | 420 | 60 | 120 |
| BW82C | 14 | 42 | 14 | 42 | 82 | 103 | 34.0 | 56.0 | 10 | - | M8 | ±1.0 | 0.20 | 2.0 | 4500 | 1290 | 850 | 60 | 160 |
Komplex lineáris megoldásokat kínálunk a tervezéstől az egyedi gyártáson át egészen a gépsorok felújításáig
– mindezt szakértő mérnöki támogatással és gyors, precíz kivitelezéssel.