Szakértő mérnökeink a megfelelő lineáris csapágytól az egyedi tervezésű hajtásokig mindenben támogatnak. Korszerű műhelyünkben vállaljuk a komplett rendszerek tervezését, a speciális alkatrészek gyártását és a meglévő gépsorok felújítását is.
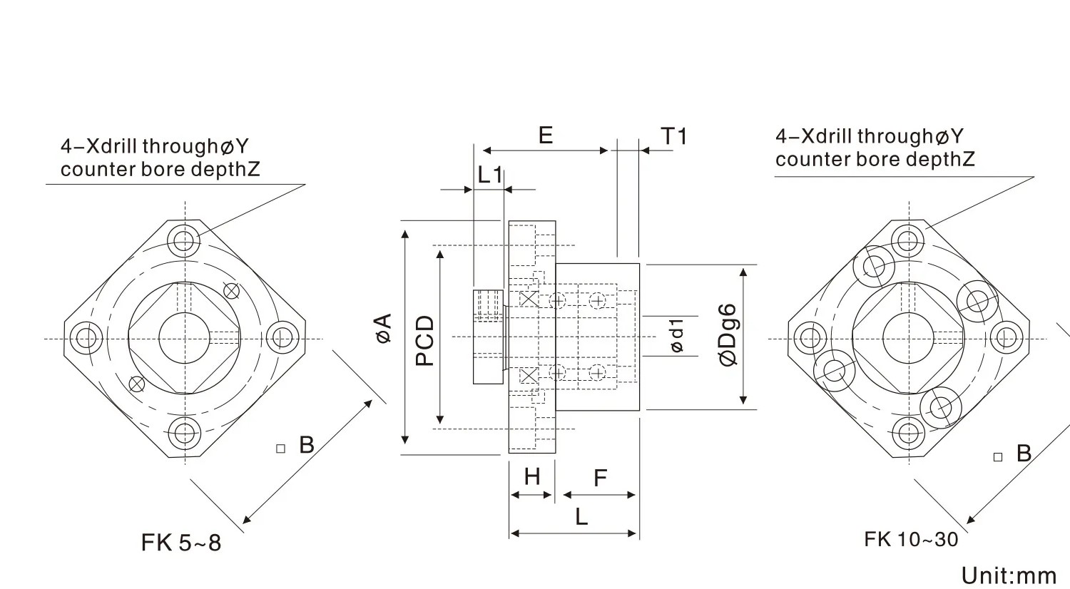
| Modell | d1 | L | H | F | E | Dg6 | A | PCD | B | L1 | T1 | X | Y | Z |
|---|---|---|---|---|---|---|---|---|---|---|---|---|---|---|
| FK 5 | 5 | 16.5 | 6 | 10.5 | 18.5 | 20 | 34 | 26 | 26 | 5.5 | 3.5 | 3.4 | 6.5 | 4 |
| FK 6 | 6 | 20 | 7 | 13 | 22 | 22 | 36 | 28 | 28 | 5.5 | 3.5 | 3.4 | 6.5 | 4 |
| FK 8 | 8 | 23 | 9 | 14 | 26 | 28 | 43 | 35 | 35 | 7 | 4 | 3.4 | 6.5 | 4 |
| FK 10 | 10 | 27 | 10 | 17 | 29.5 | 34 | 52 | 42 | 42 | 7.5 | 5 | 4.5 | 8 | 4 |
| FK 12 | 12 | 27 | 10 | 17 | 29.5 | 36 | 54 | 44 | 44 | 7.5 | 5 | 4.5 | 8 | 4 |
| FK 15 | 15 | 32 | 15 | 17 | 36 | 40 | 63 | 50 | 52 | 10 | 6 | 5.5 | 9.5 | 6 |
| FK 17 | 17 | 45 | 22 | 23 | 47 | 50 | 77 | 62 | 61 | 11 | 9 | 6.6 | 11 | 10 |
| FK 20 | 20 | 52 | 22 | 30 | 50 | 57 | 85 | 70 | 88 | 8 | 10 | 6.6 | 11 | 10 |
| FK 25 | 25 | 57 | 27 | 30 | 60 | 63 | 98 | 80 | 79 | 13 | 10 | 9 | 15 | 13 |
| FK 30 | 30 | 62 | 30 | 32 | 61 | 75 | 117 | 95 | 93 | 11 | 12 | 11 | 17.5 | 15 |
Komplex lineáris megoldásokat kínálunk a tervezéstől az egyedi gyártáson át egészen a gépsorok felújításáig
– mindezt szakértő mérnöki támogatással és gyors, precíz kivitelezéssel.