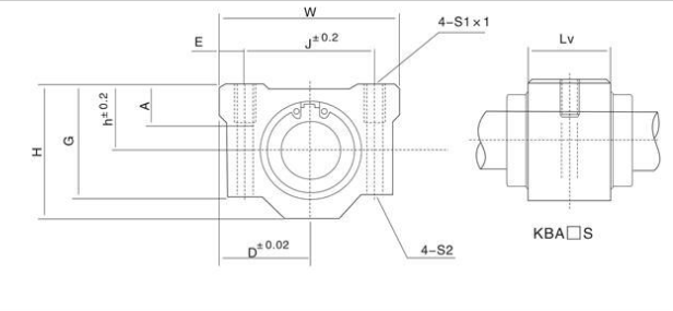
Szakértő mérnökeink a megfelelő lineáris csapágytól az egyedi tervezésű hajtásokig mindenben támogatnak. Korszerű műhelyünkben vállaljuk a komplett rendszerek tervezését, a speciális alkatrészek gyártását és a meglévő gépsorok felújítását is.
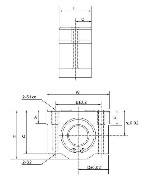
| Modell | Dimenziók | Terhelhetőség | Súly (g) |
||||||||||||
|---|---|---|---|---|---|---|---|---|---|---|---|---|---|---|---|
| h | D | W | H | G | A | B | E | S1xe | S2 | C | L | Dinamikus (CN) |
Statikus (CoN) |
||
| SC8VUU | 11 | 17 | 34 | 22 | 18 | 6 | 24 | 5 | M4x8 | 3.4 | 7.7 | 15.4 | 274 | 392 | 27 |
| SC10VUU | 13 | 20 | 40 | 26 | 21 | 8 | 28 | 6 | M5x12 | 4.3 | 9.75 | 20 | 372 | 549 | 53 |
| SC12VUU | 15 | 21 | 42 | 28 | 24 | 8 | 30.5 | 5.75 | M5x12 | 4.3 | 10.25 | 21 | 510 | 784 | 60 |
| SC13VUU | 15 | 22 | 44 | 30 | 24.5 | 8 | 33 | 5.5 | M5x12 | 4.3 | 10.25 | 20.5 | 510 | 784 | 64 |
| SC16VUU | 19 | 25 | 50 | 38.5 | 32.5 | 9 | 36 | 7 | M5x12 | 4.3 | 11.75 | 24 | 774 | 1180 | 110 |
| SC20VUU | 21 | 27 | 54 | 41 | 35 | 11 | 40 | 7 | M6x12 | 5.2 | 13.7 | 28.1 | 882 | 1370 | 144 |
| SC25VUU | 26 | 38 | 76 | 51.5 | 42 | 12 | 54 | 11 | M8x18 | 7 | 18.7 | 38 | 980 | 1570 | 340 |
| SC30VUU | 30 | 39 | 78 | 59.5 | 49 | 15 | 58 | 10 | M8x18 | 7 | 20.45 | 41.5 | 1574 | 2740 | 424 |
| SC35VUU | 34 | 45 | 90 | 68 | 54 | 18 | 70 | 10 | M8x18 | 7 | 22.7 | 45.3 | 1670 | 3140 | 626 |
| SC40VUU | 40 | 51 | 102 | 78 | 62 | 20 | 80 | 11 | M10x25 | 8.7 | 28.2 | 56.4 | 2160 | 4020 | 1000 |
| SC50VUU | 52 | 61 | 122 | 102 | 80 | 25 | 100 | 11 | M10x25 | 8.7 | 34.45 | 68.9 | 3820 | 7940 | 2100 |
Komplex lineáris megoldásokat kínálunk a tervezéstől az egyedi gyártáson át egészen a gépsorok felújításáig
– mindezt szakértő mérnöki támogatással és gyors, precíz kivitelezéssel.